扫一扫
加微信
结构特点:
采用先进的定转子设计,启动压低效率高
工作压力高,输出扭矩大
先进的断面配流结构,自动补偿性能强
主要技术参数
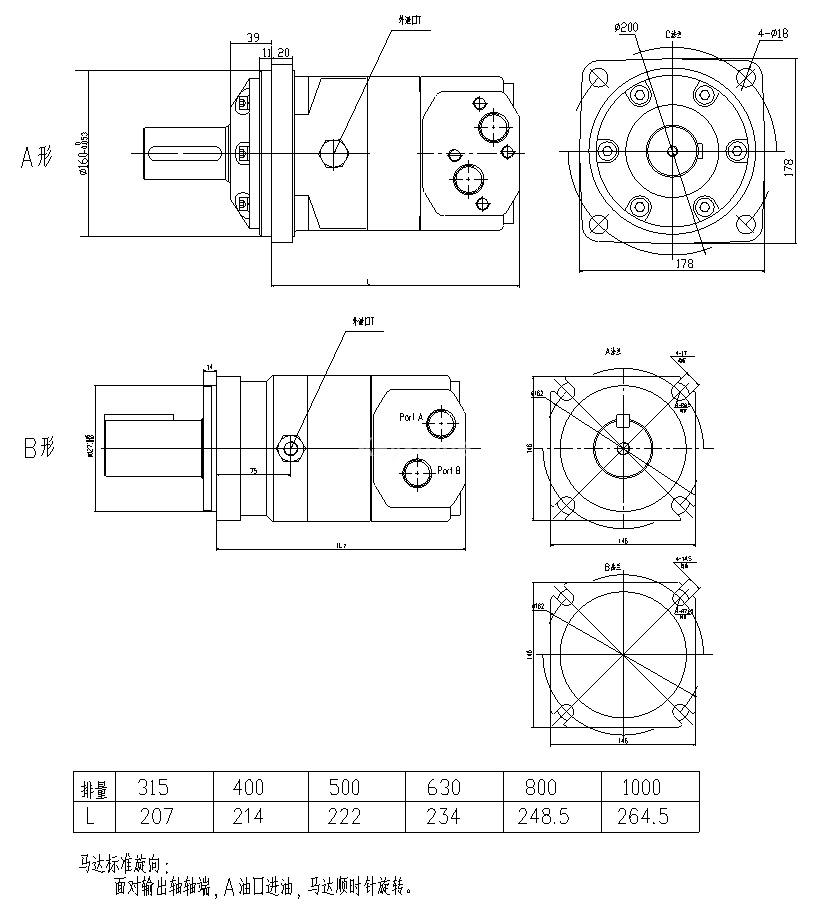
排量(ml/r) | 315 | 400 | 500 | 630 | 800 | 1000 | |
流量 (LPM) | 连续 | 160 | 200 | 200 | 200 | 200 | 200 |
间断 | 200 | 240 | 240 | 240 | 240 | 240 | |
转速 (RPM) | 连续 | 510 | 500 | 400 | 320 | 250 | 200 |
间断 | 630 | 600 | 480 | 380 | 300 | 240 | |
压力 (MPA) | 连续 | 21 | 21 | 21 | 21 | 21 | 21 |
间断 | 25 | 25 | 25 | 25 | 25 | 25 | |
扭矩 (N*M) | 连续 | 920 | 1180 | 1460 | 1660 | 1880 | 2015 |
间断 | 1110 | 1410 | 1760 | 1940 | 2110 | 2280 | |
输出功率 (KW) | 连续 | 38 | 47 | 47 | 40 | 33 | 29 |
间断 | 46 | 56 | 56 | 56 | 44 | 40 | |
说明:
1.最大连续值:马达可以连续工作的最大值
2.间断值:允许马达一分钟内持续6秒的最大值
3.避免在同时最大速和最高压力的工况下使用
4.马达的最佳工况范围:1/3~2/3连续工作工况
KMV 马达工作参数表

KMV 系列马达外形图

KMV 连接尺寸 ----输出轴

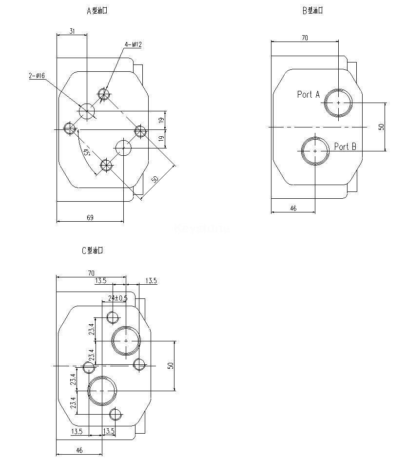
KMV 连接尺寸 ----油口


