全国咨询热线:15066691777
当前位置:首页 > 产品中心 > 摆线马达 >
637310961973069998
637310961973069998

KMT系列

产品介绍

结构特点:

该马达可用于高压,高扭矩

先进的分布式片状配流设计,在低转速提供改进的性能

该阀能自动补偿磨损,容积效率高

双圆锥滚子轴承允许径向高负荷。该马达可用于重车牵引驱动

主要技术参数

排量(ml/r

250

315

400

500

630

800

流量

LPM

连续

125

125

125

125

125

125

间断

150

150

150

150

150

150

转速

RPM

连续

495

380

302

237

196

154

间断

592

458

364

284

233

185

压力

MPA

连续

20

20

18

16

14

12.5

间断

24

24

21

18

16

13

扭矩

N*M

连续

727

962

1095

1245

1318

1464

间断

888

1154

1269

1409

1498

1520

输出功率

KW

连续

34.5

35

31

29

25

22

间断

40

40

35

35

27.5

27

说明:

1.最大连续值:马达可以连续工作的最大值.

2.间断值:允许马达一分钟内持续6秒的最大值.

3.避免在同时最大速和最高压力的工况下使用.

4.马达的最佳工况范围:1/3~2/3连续工作工况.


KMT 马达工作参数表


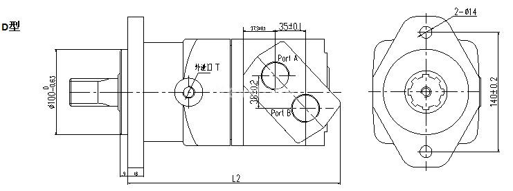
KMT 系列马达外形图



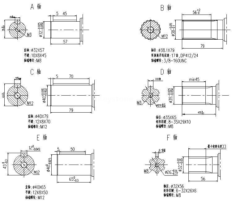
KMT 连接尺寸  ----输出轴



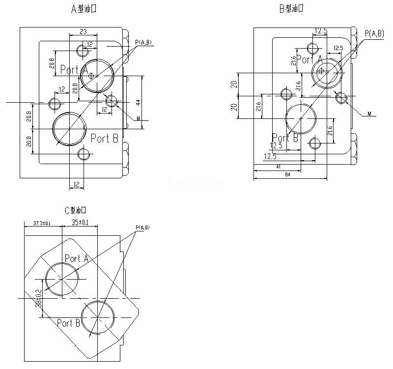
KMT 连接尺寸  ----油口




上一篇:KMER系列 下一篇:KMV系列

在线客服
联系方式

热线电话

15066691777

上班时间

周一到周五

公司电话

15066691777

二维码
线