结构特点:
工作压力高,最高输出扭矩大于BM5马达。
先进的盘配流结构设计,低速性能好。
容积效率高,并具有磨损自动补偿功能。
双列圆锥滚针轴承能够承受大的径向力,应用于重载荷驱动的场合。
主要技术参数
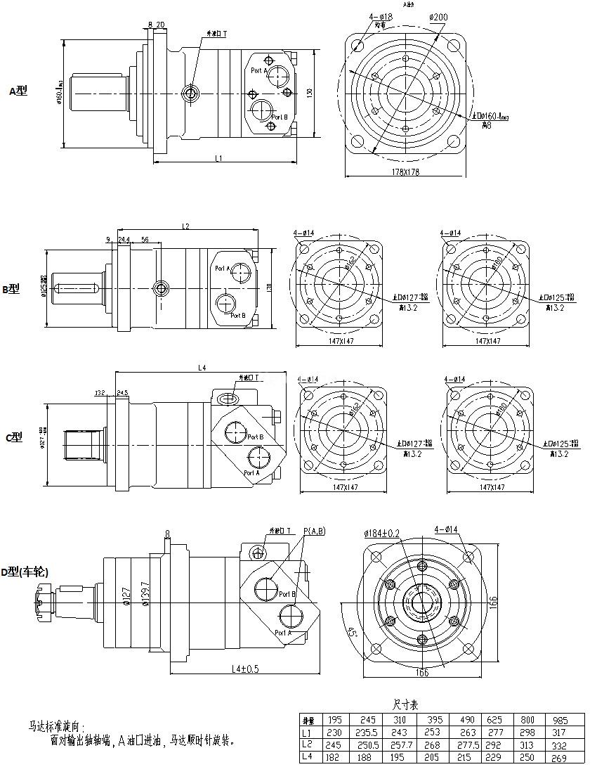
排量 (ml/r) | 195 | 245 | 310 | 395 | 490 | 625 | 800 | 985 | |
流量 (LPM) | 连续 | 150 | 150 | 150 | 150 | 150 | 150 | 150 | 150 |
间断 | 170 | 210 | 225 | 225 | 225 | 225 | 225 | 225 | |
转速 (RPM) | 连续 | 775 | 615 | 485 | 383 | 307 | 241 | 184 | 153 |
间断 | 866 | 834 | 698 | 563 | 454 | 355 | 276 | 230 | |
压力 (MPA) | 连续 | 20.5 | 20.5 | 20.5 | 20.5 | 17 | 14 | 12 | 12 |
间断 | 31 | 31 | 31 | 31 | 27.5 | 17 | 14 | 14 | |
扭矩 (N*M) | 连续 | 575 | 735 | 930 | 1169 | 1215 | 1330 | 1380 | 1570 |
间断 | 860 | 1180 | 1335 | 1655 | 1885 | 1380 | 1650 | 1875 | |
输出功率 (KW) | 连续 | 34 | 34.5 | 35 | 31 | 29 | 25 | 22 | 20 |
间断 | 40 | 40 | 40 | 35 | 35 | 27.5 | 27 | 25 | |
说明:
1.最大连续值:马达可以连续工作的最大值.
2.间断值:允许马达一分钟内持续6秒的最大值.
3.避免在同时最大速和最高压力的工况下使用.
4.马达的最佳工况范围:1/3~2/3连续工作工况.
KM6 马达工作参数表

表中数据在使用68#抗磨液压油,50℃ 油温条件下测试的,不同马达结果略有差别.

KM6 连接尺寸 ----输出轴

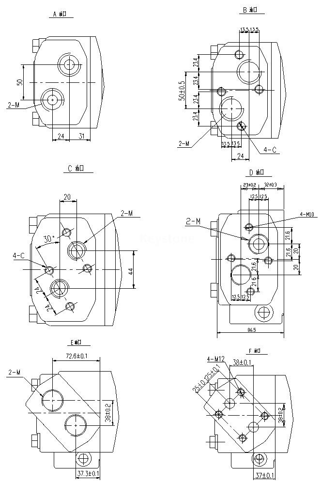
KM6 连接尺寸 ----油口

KM6订货信息(八位代码形式)

