公司简介
企业文化
荣誉资质
企业风采
齿轮泵
摆线马达
柱塞泵
装载机
汽车吊
矿山机械
钻机
其他
公司新闻
行业动态
济南泵
泊姆克
结构特点:
先进的配流盘设计,在低转速
提供更好的工作性能
该阀能自动补偿磨损,容积效率高
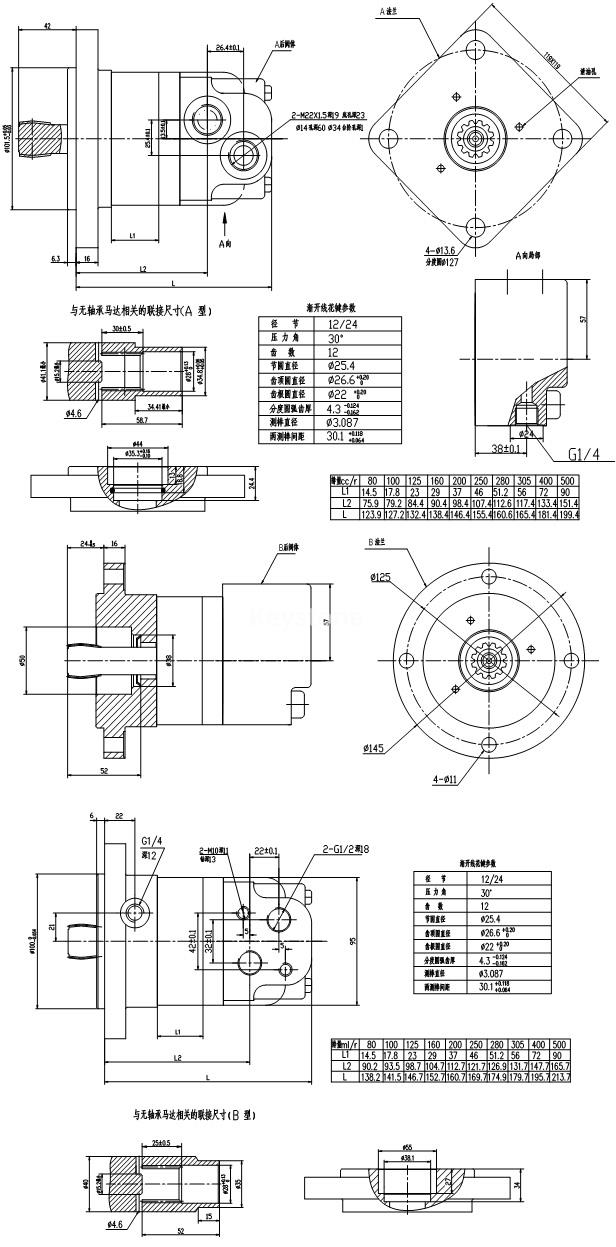
KM5S连接尺寸 ----外形图
KM5S订货信息(八位代码形式)
热线电话
15066691777
上班时间
周一到周五
公司电话