全国咨询热线:15066691777
当前位置:首页 > 产品中心 > 摆线马达 >
637310961081752607_small
637310961081752607_small

KMM系列

产品介绍

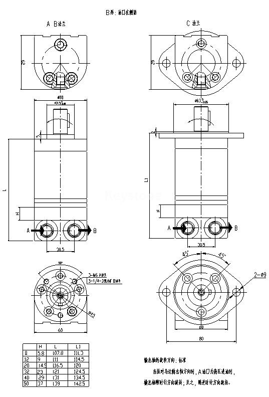
HMM 系列马达是一种微型轴配流马达,能够在很小的空间安装使用。采用活针齿 定转子副,结构紧凑、重量轻、功率大。其特点:

·体积小、效率高、转速高、寿命长。

·轴密封承压高,可串、并联使用。

·结构设计紧凑先进,功率大。

主要技术参数

类型

8

12

20

32

40

50

排量  ml/r)

8.2

12.9

19.9

31.6

39.8

50.3

流量(LPM)

连续

16

20

20

20

20

20

间断

20

25

25

25

25

25

转速(RPM)

连续

1950

1550

1000

630

500

400

间断

2450

1940

1250

800

630

500

压力 (MPa)

 连续

10

10

10

10

9

7

间断

14

14

14

14

14

14

扭矩 (N*m)

连续

11

16

25

40

45

46

间断

15

23

35

57

70

88

说明:

1.最大连续值:马达可以连续工作的最大值.

2.间断值:允许马达一分钟内持续6秒的最大值.

3.避免在同时最大速和最高压力的工况下使用.

4.马达的最佳工况范围:1/3~2/3连续工作工况.

KMM马达工作参数表










上一篇:摆线马达 下一篇:KM1系列

在线客服
联系方式

热线电话

15066691777

上班时间

周一到周五

公司电话

15066691777

二维码
线